Difficile de trouver des feux diurnes adaptables pour votre véhicule sans faire du « bricolage » lorsque les fabricants d’accessoires semblent avoir oublier ou bannis certains modèles, pourtant très répandu comme le Partner. J’ai longuement regarder ce qui ce faisait et je n’ai rien trouver de bien, sans prendre en plus le risque d’acheter quelque chose qui n’est pas compatible.
Projet :
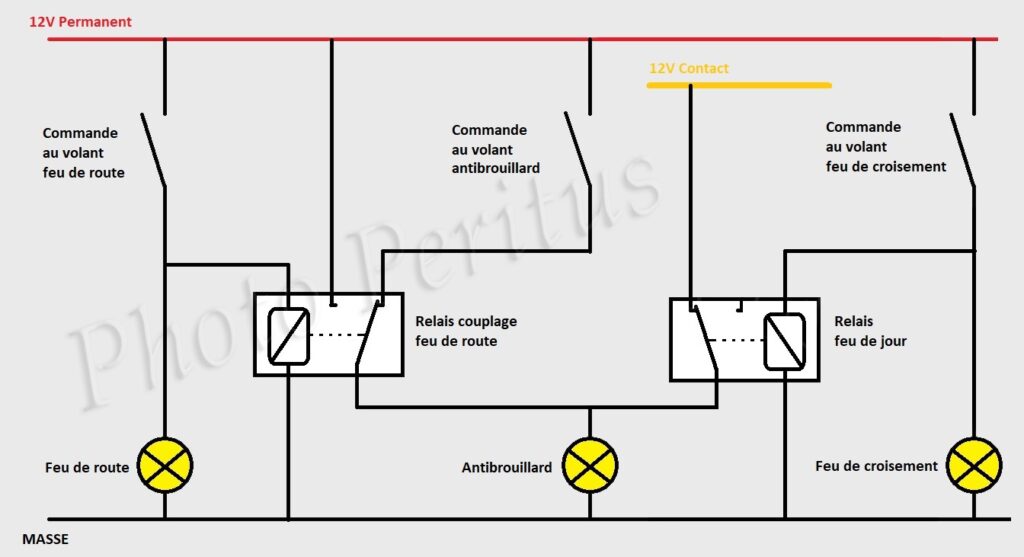
Pour les véhicules équipés de feux antibrouillard à l’avant, le but cette fois est de les allumer en mode feu de jour comme la nouvelle norme pour les véhicules récents. Les premiers véhicules n’étaient pas équipé de feu spécifiques et souvent ce sont les antibrouillards qui étaient allumés.
Une contrainte se pose : lorsqu’on allume les feux de croisements la nuit, le mode feu de jour des antibrouillards doit être coupé pour ne pas éblouir. En cas de brouillards la commande au volant pour les allumés restera opérationnelle bien sur.
Pourquoi :
- Pour une meilleure vision le jour
- Pas de commande pour allumer ou éteindre tout est automatique
- Le fonctionnement d’origine des antibrouillards n’est pas modifié
Schéma de principe :
On retrouve, sur la partie gauche, le premier relais pour le couplage avec les feux de route. Ici on va rajouter le relais de droite pour la fonction feu de jour.

Matériel nécessaire :
Même principe d’intervention avec le même type de matériel.
- un relais 12V universel 5 pôles
- 4 cosses plates à sertir
- gaine thermorétractable ou scotch électrique
- du fil électrique
- pince coupante
- pince à dénuder

Pour les épissures préférez les faire au fer à souder, sinon faites-les avec des cosses et bien les isoler. Pas de tortillons scotchés non non !

Je vais de nouveau faire l’installation dans la boîte à fusible du compartiment moteur. C’est la que se trouve les fusibles des phares donc les fils qui les alimentent aussi. Le plus dur est de réussir à les repérer, armez-vous de patience et d’un bon voltmètre.
Là c’est le branchement sur mon Partner qui est certainement différent du votre, c’est juste pour illustrer le branchement et les épissures.

La greffe est réalisée, reste plus qu’à maintenir le relais avec un collier rilsan et c’est fini.